ADL series DIN-rail mounted multifunctional electric energy meter is an intelligent instrument mainly designed for new energy power generation systems such as photovoltaic grid-connected systems, micro inverter systems, energy storage systems, AC coupling systems, etc. The product has the advantages of high precision, small volume, high respondent speed, and convenient installation.
The product features sampling, metering, and monitoring power parameters, communicating with an inverter or an energy management system (EMS), realizing the functions of preventing reverse flow, regulating power generation, charging and discharging batteries according to real-time power and accumulated electric energy, and realizing bidirectional metering and household distributed photovoltaic energy management.
![]() |
Measurement: 3-phase AC kWh, kVarh, U, I, P, Q, S, PF, F etc. Accuracy: 0.5% (kWh) Frequency: 45~65Hz Rated Voltage: 3x230~456Vac L-L; 3x110-265Vac L-N Rated Current: 3x80A AC, 3x120A AC, 3x200A, 3x300 AC (via CTs) Communication: RS485 (MODBUS-RTU) Standard: IEC; CE; CE-MID; EAC |
| Item | ADL200N-CT | ADL400N-CT |
|---|---|---|
| Grid | Single-phase | 3-phase 4-wire, 3-phase 3-wire, 1-phase 3-wire |
| Rated Voltage | 230V | 3×230/400V, 3×277/480V, 3×110/220V |
| Input Current | 80A, 120A, 200A, 300A | 3×80A to 3×300A |
| Accuracy Class | Error ±0.5% | |
| Power Consumption | <0.2VA | |
| Response Rate | ≤100ms (V, I, P); ≤1s (Energy) | |
| Operating Temp | -40ºC ~ +70ºC | |
| Communication | RS485 interface and Modbus RTU protocol | |
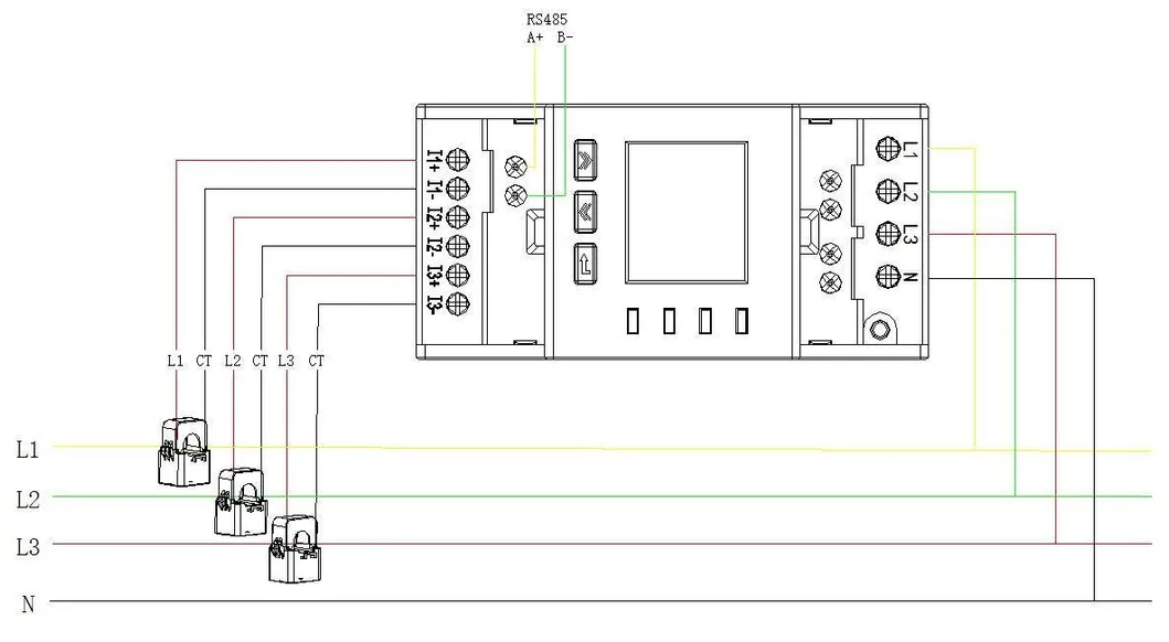
Wiring Chart:
Dimensions:






