Rogowski Coil Flexible Current Transformer 1000/1A

Still deciding? Get samples of $ !
Request Sample

Product Description

Basic Specifications
Production Process
SemiConductor Integrated
Material
Plastic
Accuracy Grade
1.0G
Application
Power, Electronic, Instrument
IP Rating
IP67
Certification
CE
Customized
Available
Type
Flexible Rogowski Coil
Usage
Consumption Sensor
Output
1A
Insulation
10kv
HS Code
8504
⚡ Rogowski Coil Flexible Current Transformer 1000/1A
  • Coil Length: 0.2m to 2m customizable range.
  • Input Current: Wide range from 100A to 100KA.
  • Versatile Output: 0-0.333V AC, 0-5V AC, mA, 1A, 4-20mA DC, 0-5V DC, or 0-10V DC.
  • High Accuracy: Standard 1% accuracy for precise measurement.
Performance Characteristics

Capable of accommodating a range of primary conductor sizes. Characterized by high sensitivity, accuracy, linearity, and minimum phase shift. Suitable for harsh operating environments including high temperature, humidity, and EMI interference.

  • Phase Shift: < 1 degree at 50/60Hz (< 0.5 degrees typical).
  • Linearity: ±0.2% from 10% to 100% of rated primary current.
  • Working Voltage: 1000VRMS or 1000VDC.
  • Dielectric Withstand: 5kVRMS for 1 minute.
  • Temperature Range: Operating from -20ºC to +60ºC.
Technical Parameters
Parameter Value Range Unit
Current Range (AC)100 - 10KA
Measure Range5% - 120%%
Power Frequency45 - 65Hz
Rated Output1Aac
Load< 0.1 (Short circuit use)Ω
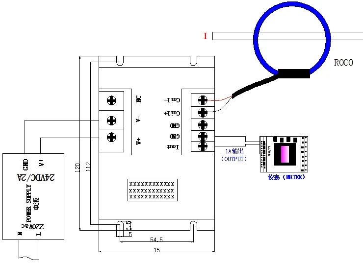
Supply Voltage24V / ≥1.5AV
Power Consumption< 100mA
Accuracy≤ 1%
Linearity≤ 1%FS
Response Time≤ 20ms
Galvanic Isolation10KV
Isolation Resistance1000 (@ DC 500V)
Product Gallery
Frequently Asked Questions
What is the measurement range of this Rogowski coil?
The coil supports a very wide input current range, typically from 100A up to 100kA, making it suitable for both standard and high-power applications.
Can the coil length be customized for specific conductor sizes?
Yes, the coil length is flexible and can be customized between 0.2m and 2m to accommodate various primary conductor sizes and shapes.
Is this current transformer suitable for outdoor use?
With an IP67 rating, this Rogowski coil is highly resistant to dust and water, making it suitable for harsh operating environments including high humidity.
What kind of output signals does it provide?
It offers multiple output options including 1A, mA, 0-5V AC/DC, 0-10V DC, and 4-20mA DC to ensure compatibility with different monitoring systems.
What is the insulation strength of the unit?
The device features high galvanic isolation of up to 10kV (AC, 1 min) and an isolation resistance of 1000MΩ at DC 500V.
What power supply is required for the integration?
The system typically requires a supply voltage of 24V with a current of at least 1.5A for proper operation.

Related Products