100A DC 1: 2500 0.2class High Accuracy Mini Current Transformer for DC Immune PCB Mounting Energy Meter

Still deciding? Get samples of $ !
Request Sample

Product Description

Basic Information
Model NO.
DCT-07
Phase
Three
Operation Condition
Indoor
Usage
Protection, Measurement, Electricity Meter
Winding Form
Multilayer Honeycomb Type
Insulating Medium
Epoxy Resin
Installation
Busbar Type
Accuracy Class
0.05, 0.1, 0.2
Max Current
5A-300A
Material
Nano Crystalline, Ferrite Core
Standard
IEC62052-31
Production Capacity
100,000,000 PCS
Product Overview
The 100A DC immune Current Transformer (DCT) DCT-07 is specifically designed for electricity meters and devices operating under the influence of DC components and even harmonics in AC current circuits. By utilizing high-quality amorphous alloy and nanocrystalline cores, this transformer achieves exceptional linearity and high accuracy (up to Class 0.1 or 0.2). Its design allows for easy integration into PCB layouts via wave soldering.
Standard Compatibility
Applied for both IEC and ANSI standard meters, conforming to IEC62053-21 requirements.
Easy Installation
Specifically engineered to be soldered in PCB easily via standard wave soldering processes.
Durable Housing
The CT case utilizes flame-retardant PBT materials, ensuring excellent mechanical and electrical strength.
Advanced Core
Adopts nanocrystalline and amorphous cores for superior DC immunity and measurement stability.
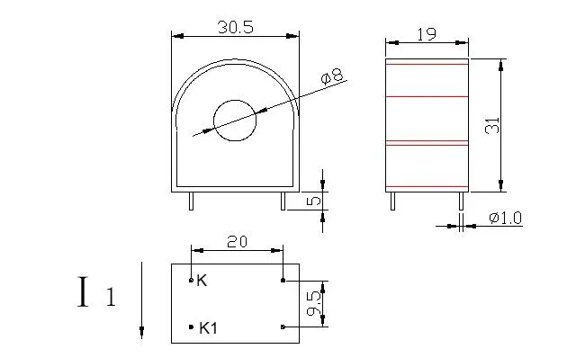
Technical Specifications & Dimensions
DC Immune Current Transformer Dimensions

Outline Dimension Drawing

Parameter Specification Details
ModelDCT-07 (100A DC immune)
Rated Primary Current5 Amps
Maximum Primary Current (Imax)100 Amps
Secondary Current (Output)2.5 mA
Turn Ratio1 : 2000
DC and Even HarmonicsConforms to IEC 62053-21 (Error < ±3% at PF=1.0)
Operating Temp.-40° C to 70° C
Core MaterialNanocrystalline and Amorphous
Accuracy0.1 Class
CertificationsRoHS Compliant, CE Certificated
Frequently Asked Questions
What is the primary application of the DCT-07?
The DCT-07 is primarily used in electricity meters and electronic devices to ensure accurate measurement even when DC components or harmonics are present in the AC circuit.
Does this transformer support high-accuracy requirements?
Yes, it provides high accuracy up to Class 0.1 and Class 0.2, making it suitable for precision energy metering.
What materials are used for the core and housing?
The core is made from advanced Nanocrystalline and Amorphous alloys for DC immunity, while the housing is made from flame-retardant PBT material for safety.
Is it suitable for automated PCB assembly?
Absolutely. The DCT-07 is designed for PCB mounting and is compatible with wave soldering processes for efficient manufacturing.
What standards does the DCT-07 comply with?
The product complies with IEC62052-31 and IEC62053-21 standards, and it is fully RoHS compliant and CE certified.
What are the temperature limits for operation and storage?
The operating temperature ranges from -40°C to +70°C, while the storage temperature can handle between -40°C and +85°C.

Related Products