80A DC Immune 1: 2500 0.1 Class High Accuracy Solid Core Mini Current Transformer for Three Phase Electricity Meter

Still deciding? Get samples of $ !
Order Sample

Product Description

Basic Information

Model NO.
TP-23
Phase
Three
Usage
Protection, Measurement
Insulating Medium
Epoxy Resin
Accuracy Class
0.05, 0.1, 0.2
Max Current
5A-300A
Material
Nano Crystalline, Ferrite Core
Standard
IEC62052-31
DC Immunity
DC Immune
Origin
China

Product Overview

Three phase energy meter (poly phase meter) is used for commercial or industrial application. As in industries we have huge amount of current, so to protect it we will use current transformer. It will transfer the current to isolate energy meters from high current.
The current transformers TP-23 designed for high-precision, small phase error requirements for current, power, and electric energy monitoring and metering devices. They can be used for three phase energy meter and anti-tempering electric energy meters.

Product Characteristics

Adopted high quality amorphous alloy and nanocrystalline core, good linearity and high precision.
CT case adopted flame retardant PBT materials, with good mechanical and electrical strength.
DC immune current transformers (DCT) conform to IEC62053-21 and ANSI C12.20 accuracy up to 0.05 class.
Encapsulated with epoxy resin with strong insulation ability and RoHS compliance.

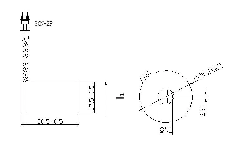
Product Dimensions

TP-23 Dimensions

Technical Datasheet

Parameter Specification Details
Model80A Solid Core Miniature Current transformers TP-23
Rated primary current5 Amps
Maximum primary current (Imax)80 Amps
Secondary current (Output)2 mA
Turn ratio1 : 2500
DC and even harmonicsIEC 62053-21 compliant, Error < ±3%
Operating temp.-40° C - 70° C
Core materialNano crystalline and Amorphous
Accuracy0.1 class or 0.2 Class
Packaging Size26.00cm * 14.00cm * 12.00cm

Frequently Asked Questions

What is the primary application of the TP-23 transformer?
It is specifically designed for three-phase energy meters, providing high-precision monitoring and isolation for commercial and industrial electric energy metering.
What core materials are used in this product?
The TP-23 utilizes high-quality amorphous alloy and nanocrystalline cores to ensure excellent linearity and high accuracy.
Does this current transformer support DC immunity?
Yes, it is a DC immune current transformer (DCT) that conforms to IEC62053-21 and ANSI C12.20 standards, maintaining accuracy even with DC and harmonic influences.
What are the environmental operating limits?
The device operates effectively between -40°C to 70°C, and can be stored in temperatures ranging from -40°C to 85°C.
Is the product compliant with international safety standards?
Yes, the TP-23 is RoHS compliant and CE certified, using flame-retardant PBT materials for the casing.
What is the maximum current capacity?
The TP-23 has a rated primary current of 5 Amps and can handle a maximum primary current (Imax) of up to 80 Amps.

Related Products