We are professional manufacturer of current transformer, voltage transformer, Vacuum Circuit Breakers/Recloser, Isolation switches, Dropout Fuse Cut-out, Lightning Arresters, High and Low Voltage Cabinets, Metering Devices, Power Distribution Transformers etc.
This series of transformers are used in indoor small ground current systems of rated frequency 50Hz or 60Hz and rated voltage up to and including 35kV for three-phase cable grounding protection, it's also used with a relay.
The transformer can be divided into two parts during installation, and then they can be combined again and buckled tightly with a clamp. It can be installed without power.
| Type | Rated primary current(A) | Accuracy Class | Rated Output (VA) | Rated Current Ratio (A) |
|---|---|---|---|---|
| LJK-Φ80 / LJK-Φ100 | 50-60 | 10P5 | 2.5 | - |
| LJK-Φ80 / LJK-Φ100 | 75 | 10P5 | 3.75 | 75/5 |
| LJK-Φ120 / Φ160 / Φ200 | 100 | 10P10 | 7.5(15) | 100/5 |
| LJK-Φ120 / Φ160 / Φ200 | 400-600 | 10P10 | 10(20) | 400-600/5 |
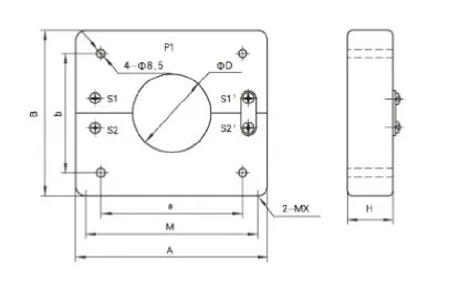
| Model | A | B | H | a | b | M | D |
|---|---|---|---|---|---|---|---|
| LJK-Φ80 | 196 | 166 | 49 | 145 | 124 | 173 | 80 |
| LJK-Φ100 | 214 | 190 | 60 | 157 | 136 | 196 | 100 |
| LJK-Φ120 | 235 | 210 | 80 | 174 | 155 | 210 | 120 |
| LJK-Φ160 | 275 | 250 | 72 | 203 | 180 | 255 | 160 |
| LJK-Φ200 | 366 | 344 | 82 | 279 | 238 | 355 | 200 |
Our customers are located all over the world. All products have undergone professional testing and certification.


