Heyi B-Type Residual Current Sensor Hyca-01 DC Residual Current Detection

Still deciding? Get samples of $ !
Order Sample

Product Description

Basic Specifications
Model NO.HYCA-01 Type B
Production ProcessSemiConductor Integrated
MaterialCeramics
Accuracy Grade0.5G
ApplicationSwitching Power Supply
IP RatingIP22
CertificationCE
CustomizedNon-Customized
Transport PackageBox
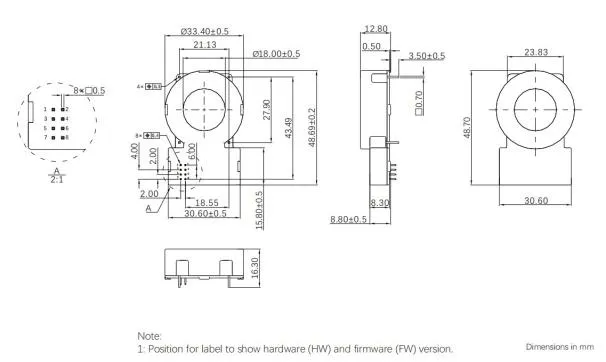
Specification34.4MM*49MM(HYCA-01)
HS Code9030339000
Production Capacity50000pieces/Year
Package Size1.00cm * 1.00cm * 1.00cm
Package Gross Weight0.025kg
Product Overview

Residual current device sensors (RCDs) are indispensable safety components used to protect against electrical and ground faults in a variety of applications. Their high sensitivity, fast tripping mechanisms, and compatibility with various electrical systems make them vital for ensuring electrical safety in residential and industrial environments and preventing accidents and damage.

Standards and Regulations:
HYCA-F03 complies with IEC62752, IEC62955, and UL2231 standards, adhering to rigorous national and international installation and performance requirements.
Key Features
Safety: Designed to prevent electric shock, electrical fire, and equipment damage by monitoring current imbalances.
Trip Mechanism: Rapid interruption within milliseconds upon detecting leakage to ground.
Sensitivity: Detects small current imbalances in the milliamp (mA) range for early fault detection.
Self-testing: Includes mechanisms to test periodically and ensure continued functionality.
Resilience: Operates reliably in harsh environmental conditions, suitable for outdoor and industrial use.
Main Applications

These sensors are critical in diverse sectors:

  • EV Charging: Critical for infrastructure safety and preventing shock hazards.
  • 🏠 Residential & Commercial: Protects circuits in kitchens, bathrooms, and industrial sites.
  • 🌊 Marine & Pools: Safety for wet and conductive environments like boats and spas.
  • ☀️ Renewable Energy: Detects ground faults in solar and wind power systems.
Technical Parameters
Model Standards DC Trigger Threshold AC Trigger Threshold
HYCA-03/PD IEC62752 6mA 30mA
HYCA-03/MD IEC62955 6mA /
Absolute Maximum Ratings (Not Operating)
Electrical Data Symbol Unit Specification Conditions
Load dump overvoltageUCV32400ms
Over-voltageUCV251 minute
Reverse polarityUCV-161 minute
Minimum supply voltageUCminV6Continuous
Maximum supply voltageUCmaxV18Continuous
Creepage distancedcpmm7.2-
Clearancedcimm6.9-
RMS voltage insulationUdKV2.550HZ, 1min
Insulation resistanceRins500500V (ISO 16750-2)
Detailed Photos & Diagrams
Frequently Asked Questions
What safety standards do these sensors comply with?
The sensors comply with major international standards including IEC62752, IEC62955, and UL2231 to ensure safe operation globally.
What is the sensitivity range of the HYCA-01 sensor?
These sensors are highly sensitive, capable of detecting current imbalances in the milliamp (mA) range (e.g., 6mA DC and 30mA AC thresholds).
How fast does the trip mechanism respond?
The trip mechanism is designed for rapid interruption, typically reacting within milliseconds to prevent electric shock or fire.
Are these sensors suitable for outdoor EV charging stations?
Yes, they are designed with resilience to operate reliably in harsh environmental conditions and are IP22 rated.
Do the sensors feature self-testing capabilities?
Some modern versions of these residual current sensors include built-in self-testing mechanisms to verify operational status periodically.
What is the maximum supply voltage for non-operating conditions?
The maximum supply voltage (not operating) is specified as 18V for continuous exposure and up to 32V for short load dumps (400ms).

Related Products